Bubuka
T Hydraulic Adapter nyaéta panyambungna T-nu ngabagi aliran hidraulik kalayan lancar, didamel tina bahan anu kuat supados tiasa dianggo saé dina tekanan anu luhur. Cocog sareng seueur bagian di pabrik, kebon, sareng sistem mobil, ngeureunkeun bocor, sareng gampang dipasang. Butuh saeutik perawatan, ngajaga cairan ngalir ajeg, tur mantuan mesin ngajalankeun ogé pikeun lila -saé pikeun sagala jinis pakasaban.



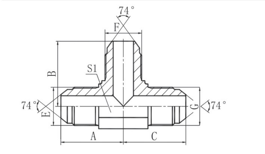
spésifikasi

|
BAGIAN NO. |
BENANG |
DIMENSI |
|||||
|
E |
F |
G |
A |
B |
C |
S1 |
|
|
AJ-04 |
7/16*X20 |
7/16*X20 |
7/16*X20 |
24.5 |
24.5 |
24.5 |
11 |
|
AJ-04-06-04 |
7/16*X20 |
9/16*X18 |
7/16*X20 |
26.6 |
26.9 |
26.6 |
14 |
|
AJ-05 |
1/2*X20 |
1/2*X20 |
1/2*X20 |
26 |
26 |
26 |
14 |
|
AJ-06-04-06 |
9/16*X18 |
7/16*X20 |
9/16*X18 |
26.9 |
26.6 |
26.9 |
14 |
|
AJ-06 |
9/16*X18 |
9/16*X18 |
9/16*X18 |
26.9 |
26.9 |
26.9 |
14 |
|
AJ-08-06-08 |
3/4*X16 |
9/16*X18 |
3/4*X16 |
32 |
30 |
32 |
19 |
|
AJ-10 |
7/8*X14 |
7/8*X14 |
7/8*X14 |
37.8 |
37.8 |
37.8 |
22 |
|
AJ-12 |
1.1/16*X12 |
1.1/16*X12 |
1.1/16*X12 |
44.2 |
44.2 |
44.2 |
27 |
|
AJ-16 |
1.5/16*X12 |
1.5/16*X12 |
1.5/16*X12 |
49 |
49 |
49 |
33 |
|
AJ-16-12-16 |
1.5/16*X12 |
1.1/16*X12 |
1.5/16*X12 |
49 |
48 |
49 |
33 |
|
AJ-20 |
1.5/8*X12 |
1.5/8*X12 |
1.5/8*X12 |
56.5 |
56.5 |
56.5 |
41 |
|
AJ-24 |
1.7/8*X12 |
1.7/8*X12 |
1.7/8*X12 |
63 |
63 |
63 |
48 |
|
AJ-32 |
2.1/2*X12 |
2.1/2*X12 |
2.1/2*X12 |
78 |
78 |
78 |
63 |
Parameter / Data Téknis
|
Aslina |
ZheJiang, Cina |
Tanggal pangiriman |
Negotiable |
|
Sertifikasi |
GB / T19001-2016 idt ISO9001: 2015 |
Bungkusan |
standar ékspor |
|
Bahan |
Baja Karbon |
Garansi |
1 taun |
|
istilah pamayaran |
TT |
MOQ |
2000 |
|
kaayaan |
Anyar |
Warna |
Séng bodas, séng warna |
Ngeunaan Company












Kaunggulan
Kualitas Unggul
Tim ahli kami ngagabungkeun kaahlian téknis sareng pangalaman manajeménKami ngajaga kadali kualitas anu ketat sareng sertifikasi profésional
Pangalaman euyeub
Diadegkeun dina 2011Ayeuna ngekspor ka 40+ nagara di sakuliah dunya kaasup:AS, Jerman, Inggris, Australia, Rusia, Brazil, Kanada, jeung leuwih dipercaya ku klien internasional pikeun layanan kualitas.
Range Produk éksténsif
4 kategori produk utama:
fittings hidrolik
Ferrules hidrolik
Adaptor hidrolik
fittings tube nilon
Leuwih 100 Produk Béda Sadia
Harga kalapa
Urang nawiskeun produk kualitas dina harga lumrah. Diwangun kapercayaan customer kuat ngaliwatan:
Kualitas dipercaya
prakték bisnis jujur
Tumuwuh konsisten 10 taun
Palanggan-Ladenan Fokus
kapuasan anjeun priority.Quick luhureun kami respon kana sagala inquiries.Profesional solusi pikeun unggal kabutuhan
Lokasi strategis
Merenah lokasina deukeut Hangzhou.Excellent angkutan connections.Fast tur efisien pengiriman barang

FAQ
Q: Naha milih parusahaan urang?
A: Perusahaan kami mangrupikeun ahli hidrolik 10-taun, kalayan kualitas anu tiasa dipercaya, garansi panjang 18-bulan, pangiriman gancang, optimasi biaya, sareng saatos penjualan tanpa hariwang.
Q: Dupi urang pabrik atawa parusahaan dagang?
A: Kami pabrik sumber mendi hidrolik, fokus dina produksi jeung panalungtikan sarta pamekaran pikeun 10 taun
Q: Sabaraha lami waktos pangiriman kami?
A: Lamun aya di stock, éta biasana nyokot 7-15 poé. Atawa lamun barang teu di stock, waktu nu diperlukeun 30-45 poé, nu gumantung kana kuantitas
Q: Naon istilah pembayaran kami?
A: Mayar 30% deposit sanggeus konfirmasi pesenan, sarta kasaimbangan 70% jeung salinan tina bil of lading
Q: Dupi urang nyadiakeun sampel? / Dupi urang nyadiakeun sampel bebas?
A: Kanggo produk ayeuna, 2 conto tiasa disayogikeun pikeun uji gratis, sareng palanggan kedah nanggung biaya pengiriman; pikeun produk ngaropéa, mangga ngahubungan kami negotiate rencana sampel
Q: Naon anu bakal urang laksanakeun upami urang mendakan masalah kualitas nalika dianggo?
J: Salila 12-jaman jaminan kualitas bulan (diitung ti tanggal pangiriman), sadaya karuksakan non-manusa katutupan
Q: Naon MOQ kami?
A: Kanggo produk ayeuna, kami ngadukung pembelian -sapotong. Pikeun produk non-saham, kuantitas pesenan minimum bakal dikonfirmasi sacara misah dumasar kana spésifikasi produk
Q: Dupi urang ngahasilkeun produk nurutkeun gambar?
A: Pinuh ngarojong produksi nurutkeun gambar, tapi syarat teknis lengkep jeung standar kasabaran anu diperlukeun
P: Naon jasa saatos-penjualan kami?
A: Ladenan nyukcruk logistik lengkep,-update waktu nyata status transportasi jeung nuturkeun-kapuasan palanggan sanggeus asup
Q: Kumaha urang pariksa kualitas produk urang?
A: Urang boga set pinuh pakakas nguji profésional, kaasup uyah semprot tester, mesin tensile, karasa tester, jsb, pikeun mastikeun ngadalikeun kualitas produk.
Q: Dupi parusahaan urang boga layanan OEM?
A: Tangtosna, perusahaan kami nyayogikeun jasa OEM. Mangga ngahubungan kami pikeun detil.
Q: Jenis bungkusan urang gaduh?
A: Ayeuna ukur bungkusan karton, tapi lamun anjeun ngagaduhan sarat, urang tiasa nyobian papanggih aranjeunna
Q: Iraha abdi tiasa kéngingkeun hargana?
A: Biasana urang cutatan dina 8 jam sanggeus narima panalungtikan Anjeun.
panas Tags: t adaptor hidrolik, Cina t pabrik adaptor hidrolik, pabrik
